Клас с висока точност 0.5 - Осигурява прецизно измерване на тока за измерване и мониторинг на приложения.
Широкия обхват на измерване - поддържа множество съотношения на тока, за да се съобразят с различни условия на натоварване.
Компактен и лек дизайн - лесен за инсталиране в тесни пространства, без да се компрометира производителността.
Отлична термична стабилност - осигурява стабилна работа дори при колебателни температури.
Силна изолация и безопасност - отговаря на стандартите за безопасност на индустрията, предлагайки надеждна защита срещу електрически разломи.
Универсални приложения - идеални за използване в панелите за разпределение на електроенергията, индустриалната автоматизация и системите за възобновяема енергия.
Оценен първичен ток: Персонализиран (например 5a ~ 2000a)
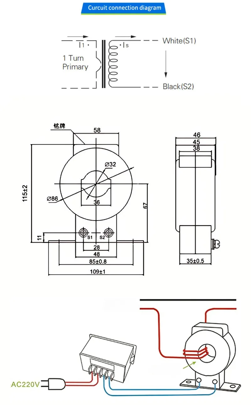
Номинален вторичен ток: 5A или 1A (стандартен)
Клас за точност: 0,5
Честота: 50Hz/60Hz
Ниво на изолация: до 3kV
Работна температура: -25 ° C до +70 ° C
Измерване на електроцентрали и мониторинг на енергията
Защитни релета и прекъсвачи
Индустриални и търговски електрически системи
Инсталации за слънчева и вятърна енергия

Адрес
Индустриална зона на Xiangyang, Yueqing, Zhejiang, Китай
Тел
Електронна поща