Zhejiang Sehnaider Electric Co., Ltd.
Zhejiang Sehnaider Electric Co., Ltd.
Продукти
BH-0.66-60 Текущи трансформатори
  • BH-0.66-60 Текущи трансформаториBH-0.66-60 Текущи трансформатори

BH-0.66-60 Текущи трансформатори

Текущите трансформатори на BH -0.66-60 приемат PC пламък - забавен материал, а магнитното проводящ материал е отгрято тороидално ядро, за да се гарантира точността на продукта при нива 0,2 и 0,5. За ултра -високи нива на точност като 0,2s и 0,5s само свръхпроводящи магнити могат да отговарят на такива изисквания за точност.

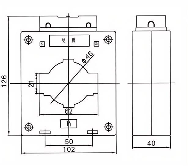
BH-0.66-60 Трансформатори са приложими за електроенергийните системи с номинална честота 50Hz и номинално напрежение от 0,66kV, 0,69kV, 0,5kV и по-долу за електрическо измерване на енергия, измерване на тока и защита на релето.


Този настоящ трансформатор на Dahu е за употреба на закрито, инсталиран вътре в шкафове и кутии за разпределение. Той разполага с нов дизайн на магнитна верига, усъвършенствани методи за компенсация, изискани техники за обработка, безопасни и надеждни показатели и малък и красив външен вид.


Външната обвивка е направена от пламък с висока якост - забавен компютър с напълно затворена структура и пламък - рейтинг на V1. Вътрешното ядро е изработено от висококачествени зърно -ориентирани силиконови стоманени листове. Диаметърът на проводника е строго избран според плътността на икономическия ток, за да се гарантира по -малко повишаване на температурата. С усъвършенстваното и надеждно оборудване за тестване той гарантира спазването на стандартите за качество.


Той има видове квадратни и кръгли дупки, подходящи за едно - корен или многократно проникване на корен кабел или проникване на едно - коренна шина. Той има пълна продуктова серия, голямо разнообразие от спецификации и широк диапазон на приложение.


Приложения

Мониторинг и измерване на енергия

Защита на веригата и координация на релето

Индустриална автоматизация и интелигентни мрежови системи

Технически спецификации

Номинално напрежение: 0,66kv

Честота: 50/60Hz

Клас за точност: 0,5, 1.0 (персонализирано)

Ниво на изолация: 3kV/мин


Основни технически параметри

Оценен първичен
ток (а)
Точност
класове
комбинация
Оценен вторичен изход (VA) 1S Термичен ток (KA) Оценен динамичен ток (KA)
0,2 (и) 0.2 0.5 10p10
5-40 0.2/10p10
0,5/10p10
/ 10 10 15 90lin 220lin
5-40 100lin 250lin
5-40 20 50
5-40
5-40 36 90
10
5-40 45 100
5-40 56 100
5-40
5-40 80 110
5-40 100 110


Горещи маркери: BH-0.66-60 Текущи трансформатори
Изпратете запитване
Информация за контакт
  • Адрес

    Индустриална зона на Xiangyang, Yueqing, Zhejiang, Китай

  • Електронна поща

    river@dahuelec.com

Ако имате някакво запитване за оферта или сътрудничество, не се колебайте да ни изпратите имейл на river@dahuelec.com или да използвате следния формуляр за запитване. Нашият търговски представител ще се свърже с вас в рамките на 24 часа. Благодарим ви за интереса към нашите продукти.
X
Ние използваме бисквитки, за да ви предложим по-добро сърфиране, да анализираме трафика на сайта и да персонализираме съдържанието. Използвайки този сайт, вие се съгласявате с използването на бисквитки от наша страна. Политика за поверителност
Отхвърляне Приеми